
【導讀】電氣設備直流耐壓試驗屬于破壞性試驗,試驗過程中會對設備產生一定程度的損害,為檢測設備在高壓試驗下承受的最大電壓峰值。便于確定設備的使用范圍和選擇設備的量程。
一、直流耐壓及泄漏電流試驗的作用
直流耐壓及泄漏電流試驗與絕緣電阻的測定本質上是相同的,與絕緣電阻測定不同的是直流耐壓及泄漏電流試驗時,試驗電壓值是逐步升高的,可以用不同電壓下泄漏電流的大小來判斷被試物的絕緣狀態,而且最終的試驗電壓比較高,從而能夠發現絕緣電阻測定過程中所不能發現的絕緣缺陷,特別是被試物的局部絕緣缺陷。
直流耐壓試驗的作用是試驗絕緣的抗電強度,施加的直流電壓比較高,對于找出局部缺陷更具特殊意義。泄漏電流試驗電壓是逐步提升的,良好絕緣在一定的電壓范圍內,絕緣電阻值是不隨試驗電壓變動的,如果泄漏電流隨電壓上升不成比例的迅速增加,則表明絕緣存在缺陷。另外良好絕緣的吸收現象應十分明顯,泄漏電流應隨試驗時間的延長而下降,如果泄漏電流隨試驗時間的增加而上升,則表明絕緣存在缺陷,而且缺陷在發展,此時應延長試驗時間、提高試驗電壓,找出絕緣缺陷。如果試驗過程中,出現泄漏電流大小擺動變化,則表明被試絕緣或試驗器具有放電現象,應仔細檢查找出缺陷。
二、直流耐壓及泄漏電流試驗方法
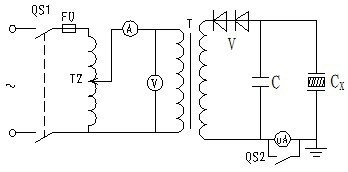
直流耐壓及泄漏電流試驗設備,一般由調壓器、試驗變壓器、半導體硅堆組成的半波整流電路和測量儀表構成,試驗接線如圖1-4所示。

圖1-4 直流耐壓及泄漏電流試驗接線圖
接線完畢通電試驗前,應經第二人檢查接線及使用儀表是否正確,試驗電源電壓是否正確,調壓器手柄是否在零位。然后合上電源開關,調節調壓器使試驗設備輸出電壓逐步升高到所需要的試驗電壓值,同時測量試驗設備和接線的泄漏電流,并記錄下來(被試絕緣的泄漏電流實際值,應為總的泄漏電流減去試驗設備和接線自身的泄漏電流)。確定試驗設備和接線無誤后,調壓器手柄回零位,切斷試驗電源開關,接入被試設備。對被試設備進行試驗的過程中,應逐段提高試驗電壓,并讀取相應的泄漏電流值,每點停留一分鐘,以減少充電電流的影響。直流耐壓的試驗時間,根據相關的規程、規范確定。
三、試驗注意事項
1.試驗設備與被試設備連接的高壓導線,應采用絕緣良好且盡量短的導線,并使其對地及其他接地部分有足夠的距離,以減少雜散電流的干擾。
2.對于能分相試驗的設備必須分相試驗,試驗一相或一相線圈時,其他相或線圈應短路接地。
3.試驗過程中,如出現擊穿、閃絡、微安表大幅擺動或泄漏電流突變等異常情況,應立即降低試驗電壓,切斷試驗電源,查明原因并處理后再做試驗。
4.試驗完成后,應對被試物短路放電保證安全,同時根據被試物放電火花大小和聲音的強弱可大概了解被試物絕緣情況。
5.溫度對泄漏電流的影響極為顯著,泄漏電流試驗最好在被試物為30~80℃時進行,在此溫度范圍內泄漏電流變化較為明顯,低溫尤其是零度以下試驗,難以得到正確的試驗結果。